Избранное

GOLIGHT Профиль-ручка для верхней базы, под светодиодную ленту, алюминий матовый (анод), L-3000мм

Артикул: GL2.131.816.3000.AL

Поделиться
Печатать
Назначение
верхний ярус
Наличие подсветки
с подсветкой
Название системы
GOLIGHT
Цветовая гамма
алюминий матовый
Цвет товара
алюминий матовый
Производитель
Единица измерения
шт
Цены: RUB | BYN
Цена для физических лиц
2 160.77 руб.
Аналог со скидкой: от 0.00 руб.  
шт
Товар продаётся хлыстами
Товар продаётся хлыстами
Длина хлыста 3м
Сообщить об ошибке

Описание

Применение: горизонтальная установка для корпуса верхнего яруса
Материал: алюминий

Примечание:

  • используется со светодиодными лентами шириной 5 мм;
  • рекомендуется использовать с рассеивателем LSPA-DIF1.5.

Преимущества:

  • возможность подсветки столешницы;
  • простота установки — установка профиля без фрезеровки дна корпуса;
  • забивной монтаж;
  • конструкция профиля предусматривает дополнительную фиксацию саморезами через боковые стенки корпуса.
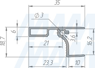
Размеры профиль-ручки GOLIGHT для верхней базы, под светодиодную ленту 5 мм (артикул GL2.131.816)
Установка профиль-ручки GOLIGHT для верхней базы, под светодиодную ленту 5 мм (артикул GL2.131.816)

* — номинальная толщина панели, мм

Вся размещенная в каталогах и на сайте техническая (в том числе схемы, планы, чертежи и т.д.), визуальная, текстовая и цифровая информация является исключительно справочной, не может быть копирована и использована без проверки перед применением. Компания не несет ответственности за возможные неточности, ошибки и/или опечатки в вышеуказанной информации. Компания имеет право по своему выбору и в любой момент вносить любые изменения в вышеуказанную информацию. Цвета в каталоге и на сайте могут не полностью совпадать с цветом изделий.

Инструкции и файлы

Файлы для скачивания

Информация по уходу
23,6 КБ PDF Скачать

Отзывы и комментарии

Оставьте свой отзыв о товаре: GOLIGHT Профиль-ручка для верхней базы, под светодиодную ленту, алюминий матовый (анод), L-3000мм (GL2.131.816.3000.AL)
Чтобы оставить отзыв авторизуйтесь
Ваш отзыв
GOLIGHT Профиль-ручка для верхней базы, под светодиодную ленту, алюминий матовый (анод), L-3000мм
Отличный
Комментарий*
Достоинства
Недостатки
Файлы
Перетащите сюда файлы или нажмите для выбора
Максимальный размер загружаемого файла 200M в формате JPG, JPEG, PNG, MP4, OGG, WEBM, MOV.
Максимальное количество файлов - 8 шт.
Представьтесь
Оставляя отзыв, я подтверждаю, что прочитал(а) Условия по размещению отзывов и принимаю их.
Условия по размещению отзывов

Оставлять отзывы могут только пользователи, зарегистрированные на интернет-сайте https://www.mdm-complect.ru/.

Оставляя отзывы на товары на интернет-сайте https://www.mdm-complect.ru/, пользователь соглашается с Правилами публикации отзывов, изложенными ниже:

  1. Отзывы публикуются только после их просмотра модератором. По возможности сохраняется авторская орфография и пунктуация. Исправлению подлежат только опечатки.
  2. Оценивайте, прежде всего, свойства изделий и описывайте свои впечатления о товарах. Чем точнее будет ваш отзыв, тем более он будет полезен другим!
  3. На сайте запрещается:

    публиковать сообщения с ненормативной лексикой, оскорбляющие достоинство других покупателей или магазина;

    указывать личные данные (например, электронный адрес, номер телефона);

    публиковать ссылки на цены или альтернативные варианты заказа или отправки товаров на сторонних интернет-сайтах;

    размещать выдержки или копии текстов со сторонних сайтов;

    публиковать рекламу или ссылки на сторонние сайты или URL;

    обсуждать цену товара, в том числе в других регионах, давать комментарии, касающиеся не продуктов, а нашего сервиса (для этих целей используйте форму обратной связи, расположенную внизу страницы);

    не рекомендуется использовать только заглавные буквы (капслок).

  4. Срок проверки и публикации – 1-7 рабочих дней.
  5. Если вы хотите удалить свой отзыв, направьте на электронный адрес webmdc@mdm-complect.ru соответствующее сообщение, указав дату отправки отзыва и артикул товара.
  6. Администрация сайта https://www.mdm-complect.ru/ оставляет за собой право удалить любой отзыв в любое время без объяснения причин и без предварительного согласования с автором отзыва.
  7. Пользователь гарантирует, что имущественные права на использование результатов интеллектуальной деятельности или средств индивидуализации, содержащихся в отзыве, принадлежат ему или используются им на законных основаниях с согласия правообладателя. Пользователь отказывается от всех личных прав автора, которыми он может обладать в отношении переданной информации и данных. Пользователь гарантирует, что его возраст превышает 18 лет.

Аналог со скидкой

Купить golight профиль-ручка для верхней базы, под светодиодную ленту, алюминий матовый (анод), l-3000мм оптом и в розницу в городе Москва.

Подпишитесь на новости

И вы всегда будете в курсе последних событий, новинок и акций!

Каталог товаров
Ваш браузер устарел и больше не поддерживается. Работа в этом браузере не безопасна. Корректная работа на сайте не возможна.Подробнее.