Избранное

Механизм царг. с увел. длины 35/900/1304/300, синхрон., с фиксатором, оцинк.

Артикул: EX-35-900-653.SL

Поделиться
Печатать
Оставить отзыв
Характеристики

Описание

Применение: для создания раздвижного царгового стола. Механизм устанавливается, как правило, с внешней стороны царги и при этом может быть виден. В случае установки внутри царги потребуется дополнительная фрезеровка. При раздвижении основных столешниц каретки с крепёжными площадками выходят за длину царги и за габаритные размеры направляющей механизма.
Вставка (дополнительная складная панель) хранится внутри стола, крепится к промежуточным царгам и раскладывается с помощью механизма поворота. Для идеального совмещения и исключения перепадов высоты вставка и столешницы оснащаются металлическими шкантами.
Механизм является синхронизированным, что обеспечивает одновременное раздвижение столешниц. Встроенный замок-фиксатор надёжно блокирует положение столешниц в открытом и закрытом положении без использования дополнительных внешних крючков и защёлок.
Главные преимущества царговых столов включают экономию места в сложенном состоянии, оптимальное увеличение полезной площади, высокую устойчивость и долговечность конструкции. Они идеально подходят для небольших кухонь и гостиных, в которых сложенный стол занимает минимум места, а при необходимости легко и быстро превращается в просторную обеденную зону.

Внимание! Механизм поворота вставки и металлические шканты приобретаются отдельно.

Тип механизма: царговый с увеличением длины
Синхронность: синхронный с фиксатором
Высота профиля/максимальная нагрузка: 35 мм/60 кг
Длина сложенного механизма: 900 мм
Длина раздвинутого механизма: 1304 мм
Размер между каретками при максимальном раздвижении: 694 мм
Размер крепёжной площадки: 300×20 мм
Толщина металла: 1,5 мм
Цвет: оцинкованный
Комплектация: направляющая — 2 шт.
Материал: сталь холоднокатаная с покрытием «голубой цинк»

Преимущества:

  • компактность и функциональность;
  • увеличенная длина крепежных площадок для изготовления столов большей вместимости;
  • простота и надёжность в использовании;
  • удобство трансформации благодаря синхронному механизму с фиксатором;
  • фиксатор надёжно блокирует положение столешниц в открытом и закрытом состоянии;
  • увеличенная нагрузочная способность — 60 или 90 кг в зависимости от высоты профиля;
  • широкий размерный ряд — от 520 до 1250 мм;
  • плавный и лёгкий ход направляющих благодаря использованию высокоточных закалённых шариков;
  • штампованный профиль из холоднокатаной стали обеспечивает высокую жёсткость;
  • производство на современном оборудовании с поэтапным контролем качества;
  • варианты отделки — качественное антикоррозионное покрытие «голубой цинк» или чёрное электрофоретическое покрытие (E-coating).
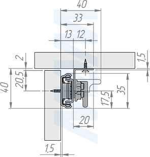
Размеры синхронного раздвижного механизма с фиксатором с увеличением длины для царгового стола, 35/900/1304/300 мм (артикул EX-35-900-653), чертеж 1
Размеры синхронного раздвижного механизма с фиксатором с увеличением длины для царгового стола, 35/900/1304/300 мм (артикул EX-35-900-653), чертеж 2
Механизм A, мм B, мм С, мм D, мм E, мм
EX-35-900-653 900 300 694 1304 122,5
EX-35-1200-905 1200 535 920 2000 272,5
Установка синхронного раздвижного механизма с фиксатором с увеличением длины для царгового стола (артикул EX-35)
Вся размещенная в каталогах и на сайте техническая (в том числе схемы, планы, чертежи и т.д.), визуальная, текстовая и цифровая информация является исключительно справочной, не может быть копирована и использована без проверки перед применением. Компания не несет ответственности за возможные неточности, ошибки и/или опечатки в вышеуказанной информации. Компания имеет право по своему выбору и в любой момент вносить любые изменения в вышеуказанную информацию. Цвета в каталоге и на сайте могут не полностью совпадать с цветом изделий.

Инструкции и файлы

Файлы для скачивания

Библиотека для Базис-Мебельщик "Механизмы для столов"
7,5 МБ БАЗИС Скачать

Фото коллекции

Отзывы

Отзывов еще нет

Станьте первым, кто поделится мнением и поможет другим покупателям.

Нет оценок

Только авторизованные пользователи могут оставлять отзывы.

Аналог со скидкой

Купить механизм царг. с увел. длины 35/900/1304/300, синхрон., с фиксатором, оцинк. оптом и в розницу в городе Москва.

Подпишитесь на новости

И вы всегда будете в курсе последних событий, новинок и акций!

Каталог товаров
Ваш браузер устарел и больше не поддерживается. Работа в этом браузере не безопасна. Корректная работа на сайте не возможна.Подробнее.