Избранное

QUANTUM QTS Механизм открывания от нажатия, для направляющих QS

Артикул: QTS-Mech

Поделиться
Печатать
Вид товара
аксессуары
Тип направляющих
скрытого монтажа
Тип открывания/закрывания
открывание от нажатия
Тип выдвижения
полное выдвижение
Система
QUANTUM
Цвет товара
оцинкованный
Производитель
Единица измерения
компл
Цены: RUB | BYN
Цена для физических лиц
1 823.50 руб.
Аналог со скидкой: от 0.00 руб.  
компл
Сообщить об ошибке

Описание

ВНИМАНИЕ! Товар находится в процессе ребрендинга. Вы можете получить товар от прежнего бренда PULSE. Это не влияет на качество, комплектацию, технические характеристики и гарантии.

Комплектация: механизмы открывания от нажатия — 1 пара; пластины активатора — 1 пара, фиксатор — 2 шт., коннекторы — 2 шт.
Материал: металл, пластик

Преимущества:

  • внутренняя ширина ящика: 300–1200 мм;
  • регулируемый зазор активации открывания до 5 мм;
  • регулировка усилия: 2 положения;
  • минимальный зазор активации: 1,5–2 мм;
  • сертификат на 100 000 циклов;
  • совместим с направляющими QUANTUM.

ВНИМАНИЕ! Инструкция, вложенная в коробку, может содержать неточности. Пользуйтесь инструкцией на сайте.

LWS — внутренняя ширина ящика, мм
SKL — глубина выдвижного ящика, мм
LWK — внутренняя ширина корпуса, мм
NL — номинальная длина направляющей, мм
T — толщина фасада, мм

Стандартный ящик

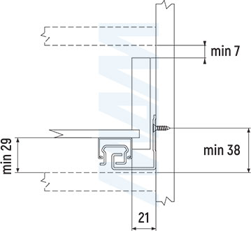
Установка на стандартный ящик механизма QUANTUM QTS для открывания от нажатия направляющих QUANTUM QS (артикул QTS-Mech)

Внутренний ящик

Установка на внутренний ящик механизма QUANTUM QTS для открывания от нажатия направляющих QUANTUM QS (артикул QTS-Mech)
Установка механизма QUANTUM QTS для открывания от нажатия направляющих QUANTUM QS (артикул QTS-Mech), схема 1Установка механизма QUANTUM QTS для открывания от нажатия направляющих QUANTUM QS (артикул QTS-Mech), схема 2
Вся размещенная в каталогах и на сайте техническая (в том числе схемы, планы, чертежи и т.д.), визуальная, текстовая и цифровая информация является исключительно справочной, не может быть копирована и использована без проверки перед применением. Компания не несет ответственности за возможные неточности, ошибки и/или опечатки в вышеуказанной информации. Компания имеет право по своему выбору и в любой момент вносить любые изменения в вышеуказанную информацию. Цвета в каталоге и на сайте могут не полностью совпадать с цветом изделий.

Инструкции и файлы

Файлы для скачивания

Библиотека для Базис-Мебельщик "Направляющие QUANTUM"
4,5 МБ БАЗИС Скачать

Чертежи и схемы установки

Файлы для скачивания

Инструкция по установке механизма QUANTUM QTS для открывания от нажатия направляющих QUANTUM QS
623,7 КБ PDF Скачать

Отзывы

Отзывов еще нет

Станьте первым, кто поделится мнением и поможет другим покупателям.

Нет оценок

Только авторизованные пользователи могут оставлять отзывы.

Аналог со скидкой

Купить quantum qts механизм открывания от нажатия, для направляющих qs оптом и в розницу в городе Москва.

Подпишитесь на новости

И вы всегда будете в курсе последних событий, новинок и акций!

Каталог товаров
Ваш браузер устарел и больше не поддерживается. Работа в этом браузере не безопасна. Корректная работа на сайте не возможна.Подробнее.