Избранное

Фреза алмазная фуговальная 125х65х30, Z 3+3, 30 гр, правая

Артикул: 6640018038R

Поделиться
Печатать
Оставить отзыв
Характеристики
Назначение
фуговальная
Рабочий диаметр, мм
125
Высота рабочей части, мм
65
Диаметр посадочного отверстия, мм
30
Производитель оборудования
IMA
Направление вращения
правое
Материал рабочей части
DP (поликристаллический алмаз)
Производитель
Единица измерения
шт
Цены: RUB | BYN
Цена для физических лиц
27 706.93 руб.
Аналог со скидкой: от 0.00 руб.  
шт
Сообщить об ошибке

Описание

Алмазные фуговальные фрезы на узел предварительной прифуговки для кромкооблицовочных станков.

Преимущества:

  • высота алмазной напайки — 3 мм, до семи переточек при нормальном износе;
  • балансировка G=2,5 при 15 000 об./мин;
  • режущая кромка разделена на сегменты и разнесена по всей рабочей части для более равномерной работы, что повышает стойкость и качество обработки.
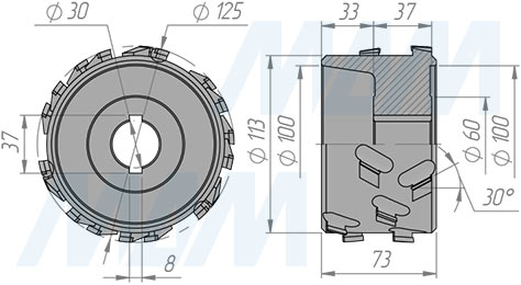
Размеры фрезы алмазной фуговальной 125x30xH65xZ3x6/AS/RH (артикул 6640018038R)
Вся размещенная в каталогах и на сайте техническая (в том числе схемы, планы, чертежи и т.д.), визуальная, текстовая и цифровая информация является исключительно справочной, не может быть копирована и использована без проверки перед применением. Компания не несет ответственности за возможные неточности, ошибки и/или опечатки в вышеуказанной информации. Компания имеет право по своему выбору и в любой момент вносить любые изменения в вышеуказанную информацию. Цвета в каталоге и на сайте могут не полностью совпадать с цветом изделий.

Отзывы

Отзывов еще нет

Станьте первым, кто поделится мнением и поможет другим покупателям.

Нет оценок

Только авторизованные пользователи могут оставлять отзывы.

Аналог со скидкой

Купить фреза алмазная фуговальная 125х65х30, z 3+3, 30 гр, правая оптом и в розницу в городе Москва.

Подпишитесь на новости

И вы всегда будете в курсе последних событий, новинок и акций!

Каталог товаров
Ваш браузер устарел и больше не поддерживается. Работа в этом браузере не безопасна. Корректная работа на сайте не возможна.Подробнее.