Избранное

Петля Slide-on 95 стандартная (90/95) для ал. проф., накладная

Артикул: C95350A

Поделиться
Печатать
Оставить отзыв
Характеристики
Вид товара
петли
Тип петли
четырехшарнирная
Тип открывания/закрывания
без плавного закрывания
Система
SLIDE-ON
Материал фасада
узкий рамочный профиль
Наложение фасада
накладное
Тип монтажа
монтаж винтом
Угол фасада в закрытом положении, градусов
90
Фрезеровка фасада
есть
Диаметр чашки, мм
35
Цвет товара
никель
Производитель
Италия
Единица измерения
шт
not available Товар снят с продажи!
Сообщить об ошибке

Описание

Установка петли Slide-on 95 (90/95) для узкого алюминиевого профиля, Ferrari, чертеж 1Установка петли Slide-on 95 (90/95) для узкого алюминиевого профиля, Ferrari, чертеж 2

Схема установки

Накладная, C=0

Схема установки накладной петли Slide-on 95 (90/95) для узкого алюминиевого профиля, Ferrari

Расчет высоты площадки H

H = P + 1 − S
S = B − L

где L минимум 1,5 мм;
Х = 37 мм.

S — наложение;
H — высота установочной площадки;
L — минимальный зазор;
P — толщина профиля;
B — толщина боковины;
F — фактический зазор;
X — расстояние до центра отверстий под площадку.

Определение минимального зазора

Расстояние D
от края двери
до чашки, мм
Толщина двери T, мм
17 18 19
20
21 22 23 24 25 26
Минимальный зазор L, мм
19 0.7 0.9 1.2 1.5 1.8 2.1 2.5 3.0 3.8 4.6
20
0.7 0.9 1.2
1.4
1.7 2.1 2.5 2.9 3.4 4.2
21 0.7 0.8 1.1 1.4 1.7 2.0 2.4 2.8 3.3 3.8
22 0.7 0.9 1.1 1.4 1.6 1.9 2.3 2.7 3.1 3.6
23 0.7 0.9 1.1 1.3 1.6 1.9 2.2 2.6 3.0 3.5
24 0.6 0.8 1.0 1.3 1.5 1.9 2.2 2.5 2.9 3.4
 

 — стандартные значения

для для профиля 20×20 мм.

Крепление чашки под саморез

Крепление чашки под саморез петли Slide-on 95 (90/95) для узкого алюминиевого профиля, Ferrari

Выбор типа установочной площадки

Установочная
площадка
Высота
площадки H, мм
Артикул
под саморез
1.5 B1241MG15E2
6.0 B1241MG60E2

Стандартная площадка: регулировка фасада по высоте ±2 мм
(за счет овальной формы отверстий).

Декоративные накладки на петли

Внешний вид Артикул
СС911, CC90
CC92G-M

Инструкция по установке

Благодаря своему компактному размеру, петля для металлических профилей может использоваться с узкими и рамками небольшой толщины.
Стеклянные дверцы могут быть собраны с применением прорезиненного уплотнителя, который гарантирует бесшумность, легкость монтажа и удобную замену стекла.
Дополнительным аксессуаром является пластиковая накладка CM01, скрывающая механизм петли (поставляется под заказ).

Установка петли Slide-on 95 (90/95) для узкого алюминиевого профиля, Ferrari

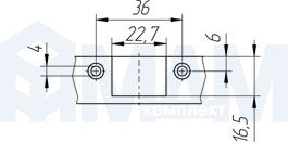
Схема сверления отверстий

Сверления отверстий для петли Slide-on 95 (90/95) для узкого алюминиевого профиля, Ferrari, схема 1
Сверления отверстий для петли Slide-on 95 (90/95) для узкого алюминиевого профиля, Ferrari, схема 2 Сверления отверстий для петли Slide-on 95 (90/95) для узкого алюминиевого профиля, Ferrari, схема 3
Сверления отверстий для петли Slide-on 95 (90/95) для узкого алюминиевого профиля, Ferrari, схема 4 Pmin = 18,50
Pmax = 24,50
Вся размещенная в каталогах и на сайте техническая (в том числе схемы, планы, чертежи и т.д.), визуальная, текстовая и цифровая информация является исключительно справочной, не может быть копирована и использована без проверки перед применением. Компания не несет ответственности за возможные неточности, ошибки и/или опечатки в вышеуказанной информации. Компания имеет право по своему выбору и в любой момент вносить любые изменения в вышеуказанную информацию. Цвета в каталоге и на сайте могут не полностью совпадать с цветом изделий.

Инструкции и файлы

Файлы для скачивания

Техническая информация о петлях
68,3 КБ PDF Скачать
Техническая информация о петлях Slide-on, Ferrari
1,2 МБ PDF Скачать

Отзывы

Отзывов еще нет

Станьте первым, кто поделится мнением и поможет другим покупателям.

Нет оценок

Только авторизованные пользователи могут оставлять отзывы.

Аналог со скидкой

Купить петля slide-on 95 стандартная (90/95) для ал. проф., накладная оптом и в розницу в городе Москва.

Подпишитесь на новости

И вы всегда будете в курсе последних событий, новинок и акций!

Каталог товаров
Ваш браузер устарел и больше не поддерживается. Работа в этом браузере не безопасна. Корректная работа на сайте не возможна.Подробнее.