Избранное

Slide-on петля угловая (+45/110)

Артикул: 51MS85M5 45

Поделиться
Печатать
Оставить отзыв
Характеристики
Вид товара
петли
Тип петли
четырехшарнирная
Тип открывания/закрывания
без плавного закрывания
Система
SLIDE-ON
Материал фасада
дерево
Толщина фасада, мм
16-26
Наложение фасада
накладное
Тип монтажа
монтаж винтом
Угол фасада в закрытом положении, градусов
+45
Фрезеровка фасада
есть
Диаметр чашки, мм
35
Цвет товара
никель
Производитель
FGV (Италия)
Единица измерения
шт
not available Товар снят с продажи!
Сообщить об ошибке

Описание

Тип петли: с пружиной
Материал: металл

Преимущества:

  • глубина чашки петли — 11,3 мм;
  • диаметр чашки — 35 мм;
  • открывание — 110°;
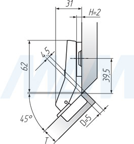
  • расстояние от торца фасада до отверстия под чашку (D) — от 3 до 7 мм;
  • толщина двери (Т) — от 16 до 26 мм.

Для крепежа используются саморезы ∅4×16.
Можно использовать с площадками для изменения угла установки.
Можно использовать с системой отталкивания K-PUSH TECH.
Можно использовать с амортизатором.

Выбор установочной площадки

Установочная
площадка
Высота
площадки H,
мм
Артикул
с евровинтами под саморез
0 52C216M500C  
2 520216M502C 520201M5021
4
520216M504C
520201M5041

Регулировка фасада по высоте ±2 мм за счет овальных отверстий.

 

 — рекомендуется для боковины толщиной 16 мм

и двери толщиной до 25 мм.

Декоративные накладки на петли

Внешний вид Артикул
510YFGV5 00
510Y0005 0N
510C0005 00

Установочные размеры

Установочные размеры угловой (+45/110) петли SLIDE-ON (FGV), чертеж 1Установочные размеры угловой (+45/110) петли SLIDE-ON (FGV), чертеж 2

Присадка под чашку петли

Присадка под чашку петли 35 мм, FGV
Вся размещенная в каталогах и на сайте техническая (в том числе схемы, планы, чертежи и т.д.), визуальная, текстовая и цифровая информация является исключительно справочной, не может быть копирована и использована без проверки перед применением. Компания не несет ответственности за возможные неточности, ошибки и/или опечатки в вышеуказанной информации. Компания имеет право по своему выбору и в любой момент вносить любые изменения в вышеуказанную информацию. Цвета в каталоге и на сайте могут не полностью совпадать с цветом изделий.

Отзывы

Отзывов еще нет

Станьте первым, кто поделится мнением и поможет другим покупателям.

Нет оценок

Только авторизованные пользователи могут оставлять отзывы.

Аналог со скидкой

Купить slide-on петля угловая (+45/110) оптом и в розницу в городе Москва.

Подпишитесь на новости

И вы всегда будете в курсе последних событий, новинок и акций!

Каталог товаров
Ваш браузер устарел и больше не поддерживается. Работа в этом браузере не безопасна. Корректная работа на сайте не возможна.Подробнее.