Избранное

TIOMOS петля со встроенным амортизатором накладная (+45/110E) угловая

Артикул: F028138352

Поделиться
Печатать
Вид товара
петли
Тип петли
четырехшарнирная
Тип открывания/закрывания
плавное закрывание
Система
TIOMOS
Материал фасада
дерево
Толщина фасада, мм
16-24
Наложение фасада
накладное
Тип монтажа
быстрый монтаж
Угол фасада в закрытом положении, градусов
+45
Фрезеровка фасада
есть
Диаметр чашки, мм
35
Цвет товара
никель
Производитель
Единица измерения
шт
not available Товар снят с продажи!
Сообщить об ошибке

Описание

Материал: металл

Преимущества:

  • для угловых шкафов с установочными углами +45°;
  • угол открывания — 110°;
  • встроенный в плечо петли амортизатор;
  • регулировка усилия амортизатора;
  • трехмерная регулировка фасада;
  • с комфортной регулировкой по глубине по принципу спирали.

Крепеж: петли — саморезы с потайной головкой под крест; площадки — саморезы или евровинты.
Можно использовать с площадками для изменения угла установки.
Можно использовать разметочный шаблон.

Выбор типа установочной площадки

Установочная
площадка
Высота
планки H, мм
Артикул
под саморез с евровинтами
0 F058139746 F058139761
2 F058139747 F058139762
3 F058139748 F058139763
9   F058139881

Декоративные накладки на петли

Внешний вид Наименование Логотип/
маркировка
Артикул
декоративная накладка
на плечо петли
по запросу F072135500
декоративная накладка
на чашку петли
  F072135503

Установочные размеры

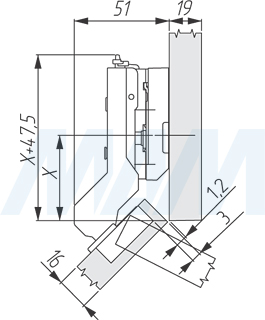
Накладной фасад +45°

Установочные размеры для угловой (+45/110) накладной петли TIOMOS, GRASS

Высота установочной площадки H=0 мм

Расстояние X для крестовой установочной площадки
Наложение
двери S,
мм
Расстояние до чашки D, мм
3 4 5 6 7
22   40,5      
21 40,5   39    
20     38,5 38 37,5
19 39,5     37,5 36,5
18   38     36
17     36,5    
16       35  
15 36,5       33,5
Расстояние X, мм
 

Вкладной фасад +45°

Установочные размеры для угловой (+45/110) вкладной петли TIOMOS, GRASS

Высота установочной площадки H=9 мм

Расстояние X для крестовой установочной площадки
Наложение
двери S,
мм
Расстояние до чашки D, мм
3 4 5 6 7
22   53      
21 53   51,5    
20     51,5 50,5 50
19 52     50 49
18   50,5     48,5
17     49    
16       47,5  
15 49       46
Расстояние X, мм

Определение минимального зазора и фуги

Для дверей толщиной от 24 мм рекомендуется произвести пробную навеску.

Минимальный зазор — это зазор, образующийся
между торцом корпуса и закрытой дверью,
позволяющий свободно открыть дверь.

Толщина
двери T,
мм
Расстояние до чашки D, мм
3 4 5 6 7
24.0 1.0 1.0 1.0 1.2 2.1
22.0 1.0 1.0 1.0 1.0 1.5
21.0 1.0 1.0 1.0 1.0 1.2
20.0 1.0 1.0 1.0 1.0 1.0
19.0 1.0 1.0 1.0 1.0 1.0
18.0 1.0 1.0 1.0 1.0 1.0
17.0 1.0 1.0 1.0 1.0 1.0
16.0 1.0 1.0 1.0 1.0 1.0
Минимальный зазор, мм

Минимальная фуга рассчитана для дверей
с радиусной кромкой (R = 1 мм)
при заводской регулировке.

Толщина
двери T,
мм
Расстояние до чашки D, мм
3 4 5 6 7
24.0 2.4 2.1 2.1 2.1 2.0
22.0 1.6 1.6 1.6 1.5 1.5
21.0 1.4 1.3 1.3 1.3 1.3
20.0 1.1 1.1 1.1 1.1 1.1
19.0 0.9 0.9 0.9 0.9 0.9
18.0 0.7 0.7 0.7 0.7 0.7
17.0 0.6 0.6 0.6 0.6 0.6
16.0 0.6 0.6 0.6 0.6 0.6
Минимальная фуга F, мм

Присадка под чашку петли

Присадка под чашку для петель TIOMOS от GRASS, чертёж 1Присадка под чашку для петель TIOMOS от GRASS, чертёж 2Присадка под чашку для петель TIOMOS от GRASS, чертёж 3
Вся размещенная в каталогах и на сайте техническая (в том числе схемы, планы, чертежи и т.д.), визуальная, текстовая и цифровая информация является исключительно справочной, не может быть копирована и использована без проверки перед применением. Компания не несет ответственности за возможные неточности, ошибки и/или опечатки в вышеуказанной информации. Компания имеет право по своему выбору и в любой момент вносить любые изменения в вышеуказанную информацию. Цвета в каталоге и на сайте могут не полностью совпадать с цветом изделий.

Инструкции и файлы

Файлы для скачивания

Сертификат качества LGA для петель TIOMOS
462,4 КБ PDF Скачать

Чертежи и схемы установки

Файлы для скачивания

Техническая информация о петлях TIOMOS, GRASS
437,2 КБ PDF Скачать

Видео

Отзывы

Отзывов еще нет

Станьте первым, кто поделится мнением и поможет другим покупателям.

Нет оценок

Только авторизованные пользователи могут оставлять отзывы.

Аналог со скидкой

Купить tiomos петля со встроенным амортизатором накладная (+45/110e) угловая оптом и в розницу в городе Москва.

Подпишитесь на новости

И вы всегда будете в курсе последних событий, новинок и акций!

Каталог товаров
Ваш браузер устарел и больше не поддерживается. Работа в этом браузере не безопасна. Корректная работа на сайте не возможна.Подробнее.