Избранное

SYMETRA Мебельный навес для стеновых панелей с креплением на штоки, левый

Артикул: P2408184ZN

Поделиться
Печатать

Описание

Регулировка: по высоте — 20 мм, по глубине — 10 мм (с помощью шестигранного ключа S4)
Материал: металл

Преимущества:

  • для стеновых панелей толщиной от 12 мм;
  • размер панелей — 380–2000 × 210–2700 мм (ширина × высота)
    (расчёт необходимого количества компонентов системы представлен в инструкции на«вкладке «Чертежи и схемы установки»);
  • беспрепятственные регулировки: по вертикали — 20 мм, по глубине — 10 мм, по горизонтали — 10 мм (за счёт ответной планки);
  • возможность навешивания стеновых панелей с неглубокими полками и небольшими корпусами, зафиксированными непосредственно на панели;
  • возможность размещения подсветки: минимальный зазор между стеновой панелью и стеной в 18 мм обеспечивает возможность размещения блока питания, необходимой проводки и светодиодных лент для создания атмосферной подсветки;
  • двойная блокировка: защита от опрокидывания (за счёт фиксатора на ответной планке) и защита от колебаний стеновой панели (за счёт установки распорного клина);
  • высокая нагрузка: до 50 кг на каждый навес, в зависимости от размеров стеновой панели используется 2 или 3 навеса, таким образом общая нагрузка на панель составляет 100–150 кг;
  • простота установки: благодаря продуманной конструкции, монтаж системы не требует особых навыков и может быть выполнен без использования специального оборудования;

Внимание!
Необходимо обеспечить минимум 30 мм (рекомендуем 100 мм) свободного пространства над стеновой панелью для возможности фиксации к стене, а также для доступа к регулировочным винтам.
Для обеспечения максимальной безопасности и надёжности использования решения необходимо использовать все элементы системы, указанные в блоке «Обязательные комплектующие».
Для расчёта количества элементов изучите инструкцию, расположенную на«вкладке «Чертежи и схемы установки».

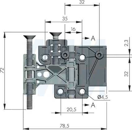
Размеры мебельного навеса SYMETRA для стеновых панелей с креплением на штоки (артикул P2408184ZN), чертеж 1Размеры мебельного навеса SYMETRA для стеновых панелей с креплением на штоки (артикул P2408184ZN), чертеж 2

Присадочные размеры

Присадочные размеры для установки мебельного навеса SYMETRA для стеновых панелей с креплением на штоки (артикул P2408184ZN)

Монтаж мебельного навеса и регулируемого упора на стеновую панель

Монтаж мебельного навеса и регулируемого упора SYMETRA на стеновую панель (артикул P2408184ZN), схема 1Монтаж мебельного навеса и регулируемого упора SYMETRA на стеновую панель (артикул P2408184ZN), схема 2

Установка стеновой панели на стену

Установка стеновой панели с навесами SYMETRA на стену (артикул P2408184ZN)

Регулировки

Регулировка по глубине

Регулировка по глубине мебельного навеса SYMETRA для стеновых панелей (артикул P2408184ZN)

Регулировка по вертикали

Регулировка по вертикали мебельного навеса SYMETRA для стеновых панелей (артикул P2408184ZN)
Вид на лицевую сторону панели при регулировке мебельных навесов SYMETRA (артикул P2408184ZN)

Фиксация стеновой панели

Установка распорного клина

Установка распорного клина при фиксации стеновой панели на мебельные навесы SYMETRA (артикул P2502434ZN)

Перевод фиксатора против
опрокидывания в рабочее положение

Перевод фиксатора против опрокидывания в рабочее положение при фиксации стеновой панели на мебельные навесы SYMETRA (артикул P2502434ZN)
Вид на лицевую сторону панели при фиксации стеновой панели на мебельные навесы SYMETRA (артикул P2502434ZN)
Вся размещенная в каталогах и на сайте техническая (в том числе схемы, планы, чертежи и т.д.), визуальная, текстовая и цифровая информация является исключительно справочной, не может быть копирована и использована без проверки перед применением. Компания не несет ответственности за возможные неточности, ошибки и/или опечатки в вышеуказанной информации. Компания имеет право по своему выбору и в любой момент вносить любые изменения в вышеуказанную информацию. Цвета в каталоге и на сайте могут не полностью совпадать с цветом изделий.

Инструкции и файлы

Файлы для скачивания

Библиотека для Базис-Мебельщик "Мебельная фурнитура Italiana Ferramenta"
16,1 МБ БАЗИС Скачать

Чертежи и схемы установки

Файлы для скачивания

Инструкция по установке системы навесов SYMETRA ONE для стеновых панелей
8,5 МБ PDF Скачать

Отзывы и комментарии

Оставьте свой отзыв о товаре: SYMETRA Мебельный навес для стеновых панелей с креплением на штоки, левый (P2408184ZN)
Чтобы оставить отзыв авторизуйтесь
Ваш отзыв
SYMETRA Мебельный навес для стеновых панелей с креплением на штоки, левый
Отличный
Комментарий*
Достоинства
Недостатки
Файлы
Перетащите сюда файлы или нажмите для выбора
Максимальный размер загружаемого файла 200M в формате JPG, JPEG, PNG, MP4, OGG, WEBM, MOV.
Максимальное количество файлов - 8 шт.
Представьтесь
Оставляя отзыв, я подтверждаю, что прочитал(а) Условия по размещению отзывов и принимаю их.
Условия по размещению отзывов

Оставлять отзывы могут только пользователи, зарегистрированные на интернет-сайте https://www.mdm-complect.ru/.

Оставляя отзывы на товары на интернет-сайте https://www.mdm-complect.ru/, пользователь соглашается с Правилами публикации отзывов, изложенными ниже:

  1. Отзывы публикуются только после их просмотра модератором. По возможности сохраняется авторская орфография и пунктуация. Исправлению подлежат только опечатки.
  2. Оценивайте, прежде всего, свойства изделий и описывайте свои впечатления о товарах. Чем точнее будет ваш отзыв, тем более он будет полезен другим!
  3. На сайте запрещается:

    публиковать сообщения с ненормативной лексикой, оскорбляющие достоинство других покупателей или магазина;

    указывать личные данные (например, электронный адрес, номер телефона);

    публиковать ссылки на цены или альтернативные варианты заказа или отправки товаров на сторонних интернет-сайтах;

    размещать выдержки или копии текстов со сторонних сайтов;

    публиковать рекламу или ссылки на сторонние сайты или URL;

    обсуждать цену товара, в том числе в других регионах, давать комментарии, касающиеся не продуктов, а нашего сервиса (для этих целей используйте форму обратной связи, расположенную внизу страницы);

    не рекомендуется использовать только заглавные буквы (капслок).

  4. Срок проверки и публикации – 1-7 рабочих дней.
  5. Если вы хотите удалить свой отзыв, направьте на электронный адрес webmdc@mdm-complect.ru соответствующее сообщение, указав дату отправки отзыва и артикул товара.
  6. Администрация сайта https://www.mdm-complect.ru/ оставляет за собой право удалить любой отзыв в любое время без объяснения причин и без предварительного согласования с автором отзыва.
  7. Пользователь гарантирует, что имущественные права на использование результатов интеллектуальной деятельности или средств индивидуализации, содержащихся в отзыве, принадлежат ему или используются им на законных основаниях с согласия правообладателя. Пользователь отказывается от всех личных прав автора, которыми он может обладать в отношении переданной информации и данных. Пользователь гарантирует, что его возраст превышает 18 лет.

Аналог со скидкой

Купить symetra мебельный навес для стеновых панелей с креплением на штоки, левый оптом и в розницу в городе Москва.

Подпишитесь на новости

И вы всегда будете в курсе последних событий, новинок и акций!

Каталог товаров
Ваш браузер устарел и больше не поддерживается. Работа в этом браузере не безопасна. Корректная работа на сайте не возможна.Подробнее.